
17c嫩嫩草色视频官方版精密數控刀具(深圳)有限公司
聯係人:尹小姐
手機:13428762476
電話:0755-21033436
傳真:0755-21033435
郵箱:joyce@bzlsyt.com
網址:www.bzlsyt.com
深(shēn)圳(zhèn)市龍華區大浪街道同勝社區上橫朗第四(sì)工業區(qū)3號103
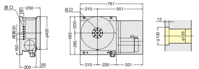
日研(yán)機床組合專用CNC數控分度轉台 CNC401H



★1超精密分度盤齧合時相對於切削推力的值
★2立式使用情(qíng)況下,雙中心支承時夾具和工件的不平衡載荷值。因使用(yòng)電機而異,
★NSVZ係列是分度型,可進行以1°為單(dān)位的分度。
★NSVX係列是旋轉分度型,其超精密分度盤能以1°為單位(wèi)進行高(gāo)精度、高剛性分度;也能(néng)以0.001°為單位進行分度及連續切削,是新一代的數控分度轉台。用於分度(dù)型和用於(yú)旋轉分度型時,
控製方法各不相同。請另(lìng)行谘詢。※標記分度型(xíng)的分度精度為±2秒
供油壓力3.5MPa。
★分度轉台請(qǐng)在分(fèn)度後夾緊的狀態下進行定心作業。
★NSVZ180、NSVZ300上可安裝aiF4/4000
★在無液壓源的機器上使用NSVZ180、NSVZ300時須外置(zhì)的空壓(yā)、液壓増(zēng)壓器(qì)請另行谘詢。